Вакуумные генераторы: обзор
Вакуумные генераторы – это устройства, сжимающие воздух для получения вакуума. Генераторы могут быть подсоединены непосредственно к присоске или в пневмосистему, поскольку обладают компактными габаритами и небольшим весом.
Среди преимуществ вакуумных генераторов:- - легкость установки;
- - небольшой вес и размеры;
- - высокая скорость создания вакуума;
- - потребление небольшого количества электроэнергии.
Вакуумные генераторы используют для создания вакуума в различных ситуациях: подъем и перемещение предметов, вакуумная формовка, упаковка продукции, вакуумное заполнение.
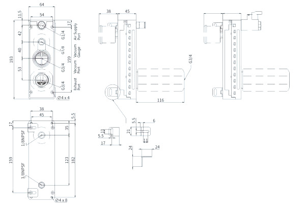
VT
Многоступенчатые вакуумные генераторы

- Стандартный диапазон давления подачи газа: 3,5 ~6 бар.
- Шум выхлопа: 50-60 дБ(А).
- Максимальная степень вакуума: ~94кПа.
- Порт подачи воздуха: G1/4, NPSF1/4.
- Вакуумный порт: G3/4, NPT3/4, G1, NPT1.
- Выхлопное отверстие: G3/4, NPT3/4, G1, NPT1.
Каталог вакуумных генераторов здесь.
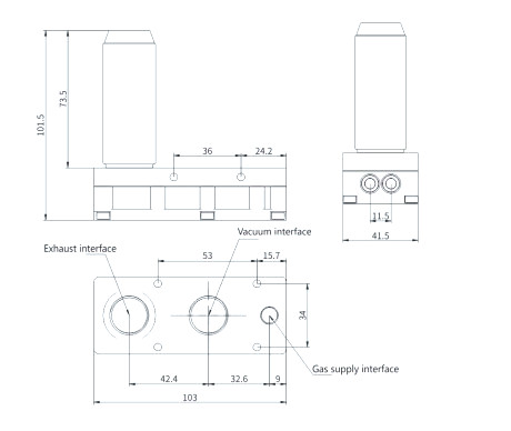
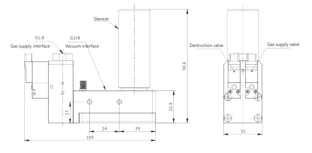
HVT
Многоступенчатые вакуумные генераторы

- Стандартный диапазон давления подачи газа: 3,5~6 бар.
- Шум выхлопа: 50-60 дБ(А).
- Максимальная степень вакуума: ~94кПа.
- Порт подачи воздуха: G1/4, NPSF1/4.
- Вакуумный порт: G3/4, NPT3/4, G1, NPT1.
- Выхлопное отверстие: G3/4, NPT3/4, G1, NPT1.
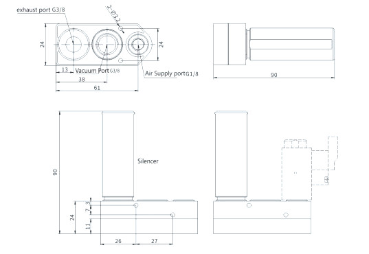
Многоступенчатые вакуумные генераторы

- Стандартный диапазон давления подачи газа: 3,5~6 бар.
- Шум выхлопа: 50-60 дБ(А).
- Максимальная степень вакуума: ~94кПа.
- Порт подачи воздуха: G1/4, NPSF1/4.
- Вакуумный порт: G3/4, NPT3/4, G1, NPT1.
- Выхлопное отверстие: G3/4, NPT3/4, G1, NPT1.
Переходите в каталог
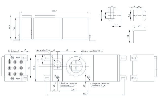
Многоступенчатые вакуумные генераторы

- Стандартный диапазон давления подачи газа: 3,5-6 бар.
- Шум выхлопа: 50-60 дБ(А).
- Максимальная степень вакуума: ~94кПа.
- Прост в установке.
- Небольшой вес.
- Порт подачи воздуха: G3/4, NPT3/4.
- Вакуумный порт: G1 1/2, NPТ1 1/2.
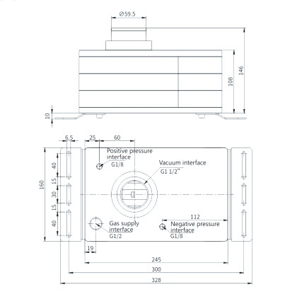
Многоступенчатые вакуумные генераторы

- Стандартный диапазон давления подачи газа: 3,5-6 бар.
- Шум выхлопа: 50-60 дБ(А).
- Максимальная степень вакуума: ~94кПа.
- Порт подачи воздуха: G1/2, G3/4.
- Вакуумный порт: G1 1/2.
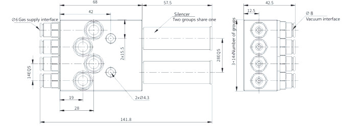
HGX
Многоступенчатые вакуумные генераторы

- Вакуумный порт: 2хG1/8, 4xG1/4, 6xG1/4, 10xG1/4.
- Максимальная степень вакуума: ~94кПа.
HGS
Многоступенчатые вакуумные генераторы

- Максимальная степень вакуума: ~94кПа.
VI
Многоступенчатые вакуумные генераторы

- Стандартный диапазон давления подачи газа: 4,5 бар.
- Шум выхлопа: 50-60 дБ(А).
- Максимальная степень вакуума: ~92кПа.
- Порт подачи воздуха: G1/8, NPSF1/8.
- Вакуумный порт: G1/2, NPT1/2.
- Выхлопное отверстие: G1/2, NPT1/2.
BM/BX
Компактные мини-генераторы

- Стандартный диапазон давления подачи газа: 4,5~6 бар.
- Шум выхлопа: 50-60 дБ(А).
- Максимальная степень вакуума: ~92кПа.
- Оснащены глушителем.
- Порт подачи воздуха: G1/8.
- Вакуумный порт: G1/8, G3/8.
JBM/JBX
Компактные мини-генераторы

- Стандартный диапазон давления подачи газа: 4,5~6 бар.
- Шум выхлопа: 50-68 дБ(А).
- Максимальная степень вакуума: ~85кПа.
- Оснащены глушителем.
VBM/VBX
Компактные мини-генераторы

- Стандартный диапазон давления подачи газа: 5 бар.
- Шум выхлопа: 50-66 дБ(А).
- Максимальная степень вакуума: ~92кПа.
RVBM/RVBX
Одноступенчатые вакуумные генераторы

- Стандартный диапазон давления подачи газа: 3~5 бар.
- Шум выхлопа: 50-60 дБ(А).
- Максимальная степень вакуума: ~92кПа.
VK
Интегрированные вакуумные генераторы

- Широко используется в интегрированных системах генерации вакуума.
- Может использоваться вместо нескольких генераторов вакуума.
- Используется в 3С-индустрии.
- Шум выхлопа: 50-66 дБ(А).
- Максимальная степень вакуума: ~87кПа.
HZK2
Вакуумные блоки

- Вакуумный порт: 6, 8 мм.
- Диаметр сопла: 0.7, 1, 1.2, 1.5 мм.
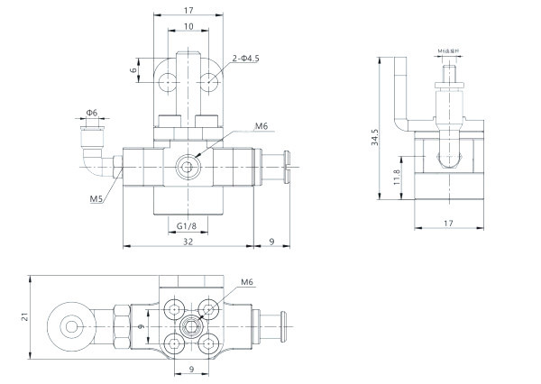
RV/RVE/RVZ
Базовые вакуумные генераторы

- Изделие может комбинироваться с электромагнитным клапаном без необходимости дополнительной установки электромагнитного клапана.
- Генератор может быть оснащен реле давления.
- Тип реле давления разработан с использованием принципа магнитной индукции.
- Небольшие габариты.
- Изделие поставляется со стандартным глушителем и быстроразъемным соединением, что уменьшает шум изделия.
- Стабильная работа, легкий вес и удобство использования.
- Стандартный диапазон давления подачи газа: 3.5~5 бар.
- Шум выхлопа: 65-75 дБ(А).
- Максимальная степень вакуума: ~92кПа.
RL100
Многоступенчатые вакуумные генераторы

- Стандартный диапазон давления подачи газа: 4 бар.
- Шум выхлопа: 50-60 дБ(А).
- Максимальная степень вакуума: ~87кПа.
- Небольшой вес.
- Простота установки.
RL300/RL600
Многоступенчатые вакуумные генераторы

- Стандартный диапазон давления подачи газа: 3-6 бар.
- Шум выхлопа: 50-60 дБ(А).
- Максимальная степень вакуума: ~94кПа.
ZL1
Многоступенчатые вакуумные генераторы

- Максимальная скорость вакуумного потока: 100 Нл/мин.
- Диаметр сопла: 1.2 мм.
ZL3/6
Многоступенчатые вакуумные генераторы

- Максимальная скорость вакуумного потока: 280 Нл/мин, 580 Нл/мин.
- Порт подключения: G1/2, G3/4.
ZL
Многоступенчатые вакуумные генераторы

- Максимальная скорость вакуумного потока: 100 Нл/мин, 200 Нл/мин.
- Диаметр сопла: 1.2 мм.
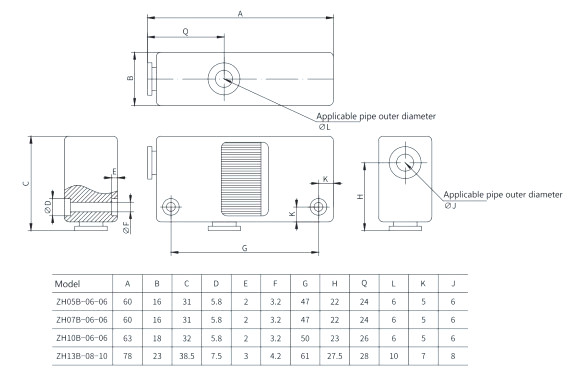
ZH
Базовые вакуумные генераторы

- Диаметр сопла: 0.5, 0.7, 1, 1.3, 1.5, 1.8, 2 мм.
ZU
Базовые вакуумные генераторы

- Диаметр сопла: 0.5, 0.7 мм.
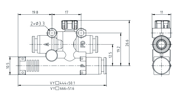
VY
Вакуумные генераторы с функцией отключения вакуума

- Диаметр сопла: 0.5, 0.7 мм.
- Вакуумный порт: 6 мм.
- Порт подачи воздуха: 6 мм.
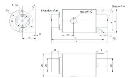
ZH
Вакуумные генераторы транспортного типа

- Диаметр: 13, 21.6, 30, 42 мм.
Вакуумные генераторы транспортного типа

- Диаметр: 19, 25.5, 32 мм.
ACPF
Вакуумные генераторы транспортного типа

- Диаметр сопла: 6.5, 9.5, 12.5, 19, 25, 38 мм.
LT
Вакуумные генераторы транспортного типа

- Диаметр: 12, 16, 19, 25, 32, 38 мм.
VZQ
Буферные стержневые вакуумные генераторы

- Cостоят из вакуумного генератора, объединенного с буферной опорой.
- Есть опция прямого подключения к вакуумной присоске.
- Короткое расстояние адсорбции, высокая скорость реакции и снижение расхода воздуха.
- Диаметр подключения: G1/8, G3/8.
Менеджеры компании «Евромеханика» проявляют индивидуальный подход к каждому клиенту и максимально учитывают все его потребности. Если Вам нужно купить вакуумный генератор, обратитесь к нашим специалистам. Мы оперативно и своевременно доставляем товар.


