Втулка зажимная BK 16 65 x 95 (KLAB065), EMT
2 443 руб./шт
Есть в наличии
Нашли дешевле?
-
+
В корзину
Купить в 1 клик
Цена действительна при наличии товара на складе.
Минимальная сумма заказа - 1000 рублей.
Ответим на все интересующие вопросы и подберём оптимальный вариант info@euromehanika.ru
Описание
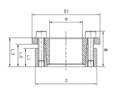
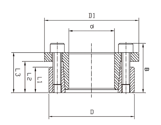
Втулка зажимная BK 16 65 x 95 (KLAB065), EMT применяется для монтажа звезд, шкивов, барабанов и других изделий на цилиндрический, бесшпоночный вал.Характеристики
|
Тип
|
BK 16 |
|
D1, мм
|
104 |
|
Момент затяжки, Nm
|
41 |
|
Размер, d x D, мм
|
65 x 95 |
|
Длина втулки L1, мм
|
20 |
|
Длина втулки L2, мм
|
25 |
|
Длина втулки L3, мм
|
33 |
|
Крутящий момент, Nm
|
2710 |
|
Нагрузка, KN
|
83 |
|
Давление на поверхность вала, N/мм2
|
189 |
|
Давление на поверхность ступицы, N/мм2
|
126 |
|
Количество болтов, шт
|
9 |
|
Тип болта, мм
|
M8x25 |
|
B, мм
|
41 |
|
Материал
|
Сталь C45 |
|
Производитель
|
EMT |
|
Вес, кг
|
1,00 |
Наличие
Новости
Все новости
30 апреля 2026
Новинки: ходовые винты и гайки «EMT» уже в наличии
6 апреля 2026
Нашли дешевле? Мы предложим максимально выгодную цену!
































