Втулка зажимная BK 16 90 x 130 (KLAB090), EMT
4 647 руб./шт
Уточните наличие и цену
Запрос цены
Наши менеджеры обязательно свяжутся с вами и уточнят условия заказа
Цена действительна при наличии товара на складе.
Ответим на все интересующие вопросы и подберём оптимальный вариант info@euromehanika.ru
Описание
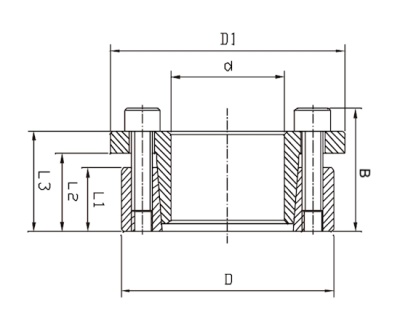
Втулка зажимная BK 16 90 x 130 (KLAB090), EMT применяется для монтажа звезд, шкивов, барабанов и других изделий на цилиндрический, бесшпоночный вал.Характеристики
|
Тип
|
BK 16 |
|
D1, мм
|
139 |
|
Момент затяжки, Nm
|
83 |
|
Размер, d x D, мм
|
90 x 130 |
|
Длина втулки L1, мм
|
24 |
|
Длина втулки L2, мм
|
30 |
|
Длина втулки L3, мм
|
40 |
|
B, мм
|
50 |
|
Крутящий момент, Nm
|
6080 |
|
Нагрузка, KN
|
135 |
|
Давление на поверхность вала, N/мм2
|
184 |
|
Давление на поверхность ступицы, N/мм2
|
128 |
|
Количество болтов, шт
|
9 |
|
Тип болта, мм
|
M10x30 |
|
Материал
|
Сталь C45 |
|
Производитель
|
EMT |
|
Вес, кг
|
2,20 |
Будьте всегда в курсе!
Узнавайте о скидках и акциях первым
Новости
Все новости
17 сентября 2025
«Евромеханика» в Телеграм
12 сентября 2025
Новое поступление шестерней
8 августа 2025
Поступление зубчатых шкивов
































