Втулка зажимная BK 16 140 x 190 (KLAB140), EMT
11 153 руб./шт
Есть в наличии
Нашли дешевле?
-
+
В корзину
Купить в 1 клик
Цена действительна при наличии товара на складе.
Минимальная сумма заказа - 1000 рублей.
Ответим на все интересующие вопросы и подберём оптимальный вариант info@euromehanika.ru
Описание
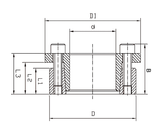
Втулка зажимная BK 16 140 x 190 (KLAB140), EMT применяется для монтажа звезд, шкивов, барабанов и других изделий на цилиндрический, бесшпоночный вал.Характеристики
|
Тип
|
BK 16 |
|
D1, мм
|
199 |
|
Момент затяжки, Nm
|
230 |
|
Размер, d x D, мм
|
140 x 190 |
|
Длина втулки L1, мм
|
34 |
|
Длина втулки L2, мм
|
40 |
|
Длина втулки L3, мм
|
54 |
|
Крутящий момент, Nm
|
18703 |
|
Нагрузка, KN
|
267 |
|
Давление на поверхность вала, N/мм2
|
166 |
|
Давление на поверхность ступицы, N/мм2
|
122 |
|
Количество болтов, шт
|
9 |
|
Тип болта, мм
|
M14x40 |
|
B, мм
|
68 |
|
Материал
|
Сталь C45 |
|
Производитель
|
EMT |
|
Вес, кг
|
5,40 |
Наличие
Новости
Все новости
30 апреля 2026
Новинки: ходовые винты и гайки «EMT» уже в наличии
6 апреля 2026
Нашли дешевле? Мы предложим максимально выгодную цену!
































