Муфта цепная KC4012, EMT
2 581 руб./шт
Уточните наличие и цену
Нашли дешевле?
Запрос цены
Наши менеджеры обязательно свяжутся с вами и уточнят условия заказа
Цена действительна при наличии товара на складе.
Минимальная сумма заказа - 1000 рублей.
Ответим на все интересующие вопросы и подберём оптимальный вариант info@euromehanika.ru
Описание
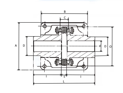
Муфта цепная KC4012 производства EMT — это стандартизированный элемент привода, предназначенный для соединения соосных валов и передачи крутящего момента в условиях умеренных нагрузок. Конструкция муфты включает две стальные полумуфты со звездочками, роликовую цепь и разъемный защитный кожух, что обеспечивает эффективную компенсацию радиальных, угловых и осевых смещений валов. Ключевыми преимуществами модели KC4012 являются высокая ремонтопригодность, возможность быстрой замены цепи без демонтажа узла, а также защита от внешних загрязнений. Муфта применяется в общем машиностроении для приводов конвейерного оборудования, вентиляционных систем, насосов и легких станков, где требуется надежное и простое в обслуживании соединение.Характеристики
|
Тип цепи
|
40-2 |
|
Максимальный диаметр отверстия, d, мм
|
22 |
|
D, мм
|
35 |
|
L, мм
|
79,4 |
|
Диаметр чернового отверстия d, мм
|
12 |
|
S, мм
|
7,4 |
|
Крутящий момент, Nm
|
210 |
|
I, мм
|
36 |
|
O, мм
|
62 |
|
A, мм
|
77 |
|
B, мм
|
72 |
|
C, мм
|
14,4 |
|
Материал
|
Муфта - Сталь C45, Корпус - Алюминий |
|
Производитель
|
EMT |
|
Вес, кг
|
1,10 |
Наличие
Новости
Все новости
6 апреля 2026
Нашли дешевле? Мы предложим максимально выгодную цену!
12 марта 2026
«Евромеханика» получила благодарственное письмо
6 марта 2026
Поздравляем с 8 Марта!




























