Втулка зажимная BK 16 25 x 50 (KLAB025), EMT
896 руб./шт
Есть в наличии
-
+
В корзину
Купить в 1 клик
Цена действительна при наличии товара на складе.
Ответим на все интересующие вопросы и подберём оптимальный вариант info@euromehanika.ru
Описание
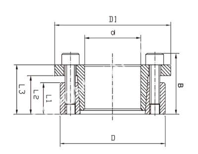
Втулка зажимная BK 16 25 x 50 (KLAB025), EMT применяется для монтажа звезд, шкивов, барабанов и других изделий на цилиндрический, бесшпоночный вал.Характеристики
|
Тип
|
BK 16 |
|
D1, мм
|
59 |
|
Момент затяжки, Nm
|
17 |
|
Размер, d x D, мм
|
25 x 50 |
|
Длина втулки L1, мм
|
17 |
|
Длина втулки L2, мм
|
22 |
|
Длина втулки L3, мм
|
28 |
|
B, мм
|
34 |
|
Крутящий момент, Nm
|
383 |
|
Нагрузка, KN
|
31 |
|
Давление на поверхность вала, N/мм2
|
213 |
|
Давление на поверхность ступицы, N/мм2
|
106 |
|
Количество болтов, шт
|
6 |
|
Тип болта, мм
|
M6x20 |
|
Материал
|
Сталь C45 |
|
Производитель
|
EMT |
|
Вес, кг
|
0,30 |
Наличие
Новости
Все новости
2 марта 2026
Крупная отгрузка: работаем на промышленных масштабах
17 сентября 2025
«Евромеханика» в Телеграм
12 сентября 2025
Новое поступление шестерней
































